三门湾logo

国网智能融合终端TTU重载连接器 南京三门湾电器有限公司提供智能融合终端成套技术服务
智能配网成套连接器企业
融合终端TTU重载连接器技术规范书
集研发、生产、销售、服务为一体的高新科技企业
关于国网智能融合终端TTU重载连接器技术规范书
TTU重载连接器(台区智能配变融合终端)技术规范流程图
南京三门湾电器有限公司
TTU重载连接器、台变智能融合终端重载连接器,TTU强电流端子,江苏省专用弱电强电一体重载连接器.
TTU用于对配电变压器的信息采集和控制,它实时监测配电变压器的运行工况,保护变压器的安全运行,调整无功补偿,并能将采集的信息传送到主站或其他的智能装置,提供配电系统运行控制及管理所需的数据。 TTU除具有数据采集与控制功能外,另一个重要功能就是通信功能。TTU主要用于柱上配电变压器、箱式变电站和小区变电站等的远方监控和就地无功补偿,还可连接抄表集中器实现分散用户自动抄表。正常运行状态下; TTU需要实现以下功能:对运行电量参数(包括对馈线、杆变压器或台变/器、箱变压器等设备的电流、电压、有功功率、无功功率、功率因数及电能量等参数)的远方测量,设备状态的远方监视,开关设备的远方控制馈线的保护和有关定值的远方切换。
我公司为国网开发的智能融合终端连接器,经许昌开普检测研究院检测各项指标均符合国网要求。
TTU融合终端组件配套组装流程图
TTU重载连接器组装流程图
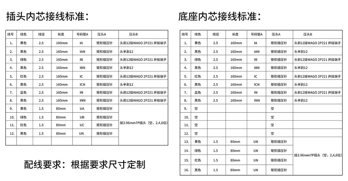
TTU重载连接器参数特性表(国网智能融合终端连接器技术标准)
基本性能
现场组装工艺流程图
TTU重载连接器国家权威检测报告
企业宗旨
建设一个具有核心竞争优势,独到经营理念,具有优秀文化的现代化新型企业,
为我国的电力行业的发展做好配套服务工作。
公司理念
我们孜孜不倦的执著于电力配网连接器附件产品的开发和生产
以客户为中心
以满足市场需求为导向
以产品质量为核心竞争力
不断提高服务水平,勇于创新,为用户创造更多价值!
公司成立于2005年,是专业致力于电气、电力、配网、控制柜等附件的连接器的生产和销售的厂家,拥有全自动化组装设备,多条人工配装生产流水线,集研发、生产、销售、服务为一体的的高品质自动化智能设备连接器接线端子成套服务的高新科技企业,以达到客户创造利润为目标。公司已通过ISO9001及ISO 140001质量管理体系认证。 公司在产品开发、市场营销、质量管理、客户服务,多方努力提高,增加企业实力及竞争力,不断完善我们的产品和服务,严把产品质量关,使产品向着“零缺陷”目标不断前行!作为配电领域专业解决方案和设备供应商,南京三门湾一直为电力配网行业的用户 提供性能优异的电联接产品。其中包括导轨式UK接线端子、PCB接线端子、融合终端TTU重载连接器、JL系列切换片等电联接产品。南京三门]湾的的目标就是通过提供简单、优化的电气联接,帮助用户实现控制系统和设备的安全运行。
南京三门湾电器有限公司提供智能融合终端成套技术服务
南京三门门湾电器有限公司
地址:南京市浦口区江北新区龙泰路龙威产业园8号
电话: 400-025-8835
网址: www.njsmwdq.com